中文版
English
+86-132 2112 6981
Home
About Us
Honor
Product
Download
Order
Feedback
Contact us
Product catalog
Photovoltaic combiner box, grid connected cabinet, booster station, prefabricated cabin
Low voltage electrical
High voltage electrical
Complete set, box transformer
Patent Products
Popular Products
Product
Current position:
Home
- Product
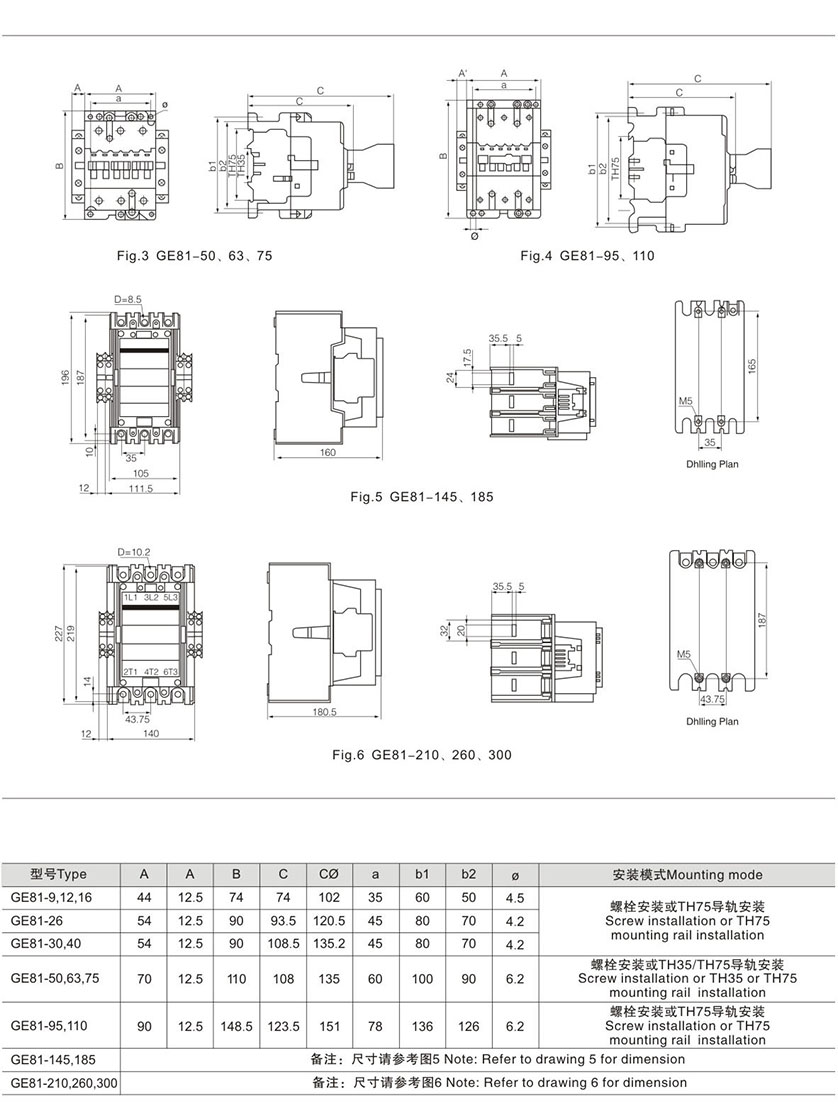
GE81-09(A9)
© GUOLONG ELECTRIC CO.,LTD.
Close
Add me as a friend
OnlineServices